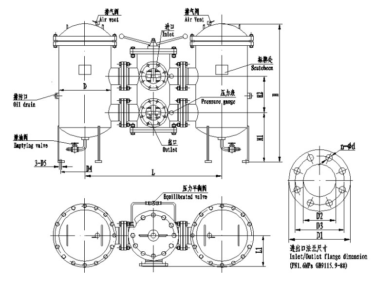
Huilong duplex filters are often mounted in the low pressure pipeline or oil return pipeline of hydraulic systems. The filter housing and the changeover valve are designed in accordance with the international standard. Stainless steel is available as the housing material upon customer’s request. The changeover valve is a ball valve with excellent leakproofness and reliability.
The duplex filter is equipped with the pressure-balanced device and the differential pressure indicator. When the clogging in filter element causes a pressure drop increase, the indicator sends a signal for cleaning or replacing the element. By activating the changeover valve, the dirty filter chamber is switched off and the clean filter chamber will be put in operation simultaneously, allowing to replace the contaminated filter element without system shutting down. If the filter element hasn’t been replaced in time, the bypass valve on the filter will automatically open to protect the hydraulic system.
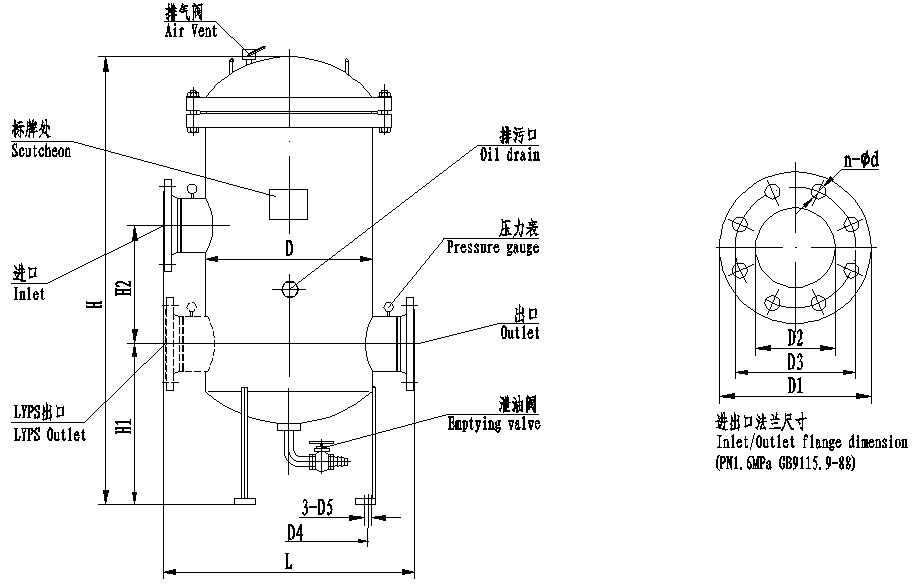
LYPL/LYPS/LYPD series filter is designed for mounting in the low pressure pipeline or return line circuits of hydraulic systems,separating solid particles from the hydraulic fluids returning to the tank.

(UNIT:Pa; KINEMATIC VISCOSITY:30mm²/s; DENDITY 0.86kg/dm³)
| Filter type | Housing | Filter element | |||||||
| FT | FC | FD | FV | CD | CV | MV | ME | ||
| LYPL/LYPD1300... | 0.18 | 1.14 | 0.71 | 0.52 | 0.38 | 0.31 | 0.24 | 0.40 | 0.20 |
| LYPL/LYPD2600... | 0.17 | ||||||||
| LYPL/LYPD3900... | 0.18 | ||||||||
| LYPL/LYPD6500... | 0.19 | ||||||||
| LYPL/LYPD7800... | 0.18 | ||||||||
| LYPL/LYPD9100... | 0.26 | ||||||||
| LYPL/LYPD2600D... | 0.49 | 1.24 | 0.75 | 0.54 | 0.39 | 0.32 | 0.26 | 0.43 | 0.22 |
| LYPL/LYPD5200D... | 0.46 | ||||||||
| LYPL/LYPD7800D... | 0.47 | ||||||||
| LYPL/LYPD13000D... | 0.47 | ||||||||

| Filter Type | H | H1 | H2 | L | D | D4 | D5 |
| LYPL/LYPS 1300 | 1200 | 480 | 365 | 500 | Φ245 | Φ215 | Φ14 |
| LYPL/LYPS 2600/3900 | 1280 | 525 | 365 | 600 | Φ416 | Φ386 | Φ18 |
| LYPL/LYPS 6500 | 1500 | 600 | 450 | 746 | Φ508 | Φ478 | Φ23 |
| LYPL/LYPS 7800 | 1500 | 600 | 450 | 746 | Φ508 | Φ478 | Φ23 |
| LYPL/LYPS 9100 | 1500 | 600 | 450 | 746 | Φ508 | Φ478 | Φ23 |
| LYPL/LYPS 2600D | 1642 | 480 | 365 | 500 | Φ245 | Φ215 | Φ14 |
| LYPL/LYPS 5200D | 1722 | 525 | 365 | 600 | Φ416 | Φ386 | Φ18 |
| LYPL/LYPS 7800D | 1722 | 525 | 365 | 600 | Φ416 | Φ386 | Φ18 |
| LYPL/LYPS 13000D | 1942 | 600 | 450 | 746 | Φ508 | Φ478 | Φ23 |
| Flange Dimension | D1 | D2 | D3 | d | n |
| DN65 | Φ180 | Φ75 | Φ145 | Φ18 | 4 |
| DN80 | Φ195 | Φ90 | Φ160 | Φ18 | 8 |
| DN100 | Φ215 | Φ110 | Φ180 | Φ18 | 8 |
| DN125 | Φ250 | Φ135 | Φ210 | Φ18 | 8 |
| DN150 | Φ285 | Φ161 | Φ240 | Φ23 | 8 |
| DN200 | Φ340 | Φ220 | Φ295 | Φ23 | 12 |
| DN250 | Φ405 | Φ275 | Φ355 | Φ25 | 12 |

| Filter Type | H | H1 | H2 | L | L1 | D | D4 | D5 |
| LYPD1300 | 1200 | 480 | 365 | 900 | 200 | Φ245 | Φ215 | Φ14 |
| LYPD2600 | 1280 | 525 | 365 | 1125 | 260 | Φ416 | Φ386 | Φ18 |
| LYPD3900 | 1280 | 525 | 365 | 1125 | 260 | Φ416 | Φ386 | Φ18 |
| LYPD6500 | 1500 | 600 | 450 | 1400 | 325 | Φ508 | Φ478 | Φ23 |
| LYPD7800 | 1500 | 600 | 450 | 1400 | 325 | Φ508 | Φ478 | Φ23 |
| LYPD9100 | 1500 | 600 | 450 | 1400 | 325 | Φ508 | Φ478 | Φ23 |
| LYPD2600D | 1642 | 480 | 365 | 900 | 200 | Φ245 | Φ215 | Φ14 |
| LYPD5200D | 1722 | 525 | 365 | 1125 | 260 | Φ416 | Φ386 | Φ18 |
| LYPD7800D | 1722 | 525 | 365 | 1125 | 260 | Φ416 | Φ386 | Φ18 |
| LYPD13000D | 1942 | 600 | 450 | 1400 | 325 | Φ508 | Φ478 | Φ23 |
| Flange Dimension | D1 | D2 | D3 | d | n |
| DN65 | Φ180 | Φ75 | Φ145 | Φ18 | 4 |
| DN80 | Φ195 | Φ90 | Φ160 | Φ18 | 8 |
| DN100 | Φ215 | Φ110 | Φ180 | Φ18 | 8 |
| DN125 | Φ250 | Φ135 | Φ210 | Φ18 | 8 |
| DN150 | Φ285 | Φ161 | Φ240 | Φ23 | 8 |
| DN200 | Φ340 | Φ220 | Φ295 | Φ23 | 12 |
| DN250 | Φ405 | Φ275 | Φ355 | Φ25 | 12 |



Get in touch with us Contact Us