The pipeline strainer is an efficient filter with easy operation and maintenance, often used in waste water/oil disposal, recirculated water filtration, emulsion recycling, continuous casting water system, blast furnace water system, high pressure water system for descaling, etc. It’s an economical and efficient piping water filtration solution for a wide range of fields including metallurgy, chemical industry, petrochemical engineering, papermaking, medicine, food, mining, electricity, municipal water supply and more. The pipeline strainer basket can be easily dismantled, cleaned and reinstalled, simplifying maintenance operations and reducing system shutdown time.


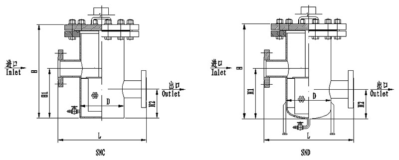
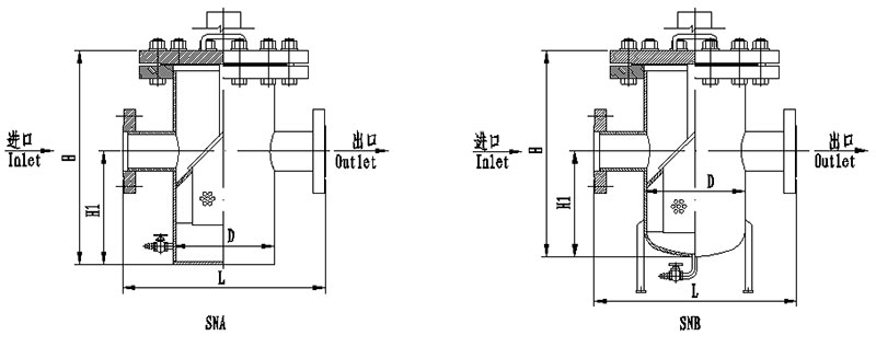
| DN Nominal diameter | H | H1 | H2 | L | D | Water drain | Effective filtering area | ||||
| SNA | SNB | SNC | SND | SNC | SND | ||||||
| 40 | 300 | 180 | 220 | 120 | 260 | 108 | R1/2" | 0.005718 | |||
| 50 | 300 | 180 | 220 | 120 | 260 | 133 | R1/2" | 0.005718 | |||
| 65 | 360 | 220 | 270 | 160 | 330 | 133 | R1/2" | 0.009613 | |||
| 80 | 400 | 260 | 320 | 180 | 340 | 159 | R1/2" | 0.01539 | |||
| 100 | 470 | 310 | 390 | 220 | 400 | 219 | R3/4" | 0.02464 | |||
| 150 | 620 | 430 | 530 | 310 | 500 | 273 | R3/4" | 0.04866 | |||
| 200 | 780 | 530 | 540 | 670 | 670 | 390 | 230 | 560 | 325 | R3/4" | 0.07858 |
| 250 | 930 | 640 | 650 | 800 | 800 | 480 | 270 | 660 | 426 | R3/4" | 0.12005 |
| 300 | 1200 | 840 | 860 | 1040 | 1040 | 640 | 320 | 750 | 478 | R3/4" | 0.16337 |
| 350 | 1380 | 1010 | 1220 | 370 | 500 | R1" | 0.2225 | ||||
| 400 | 1550 | 1150 | 1300 | 400 | 550 | R1" | 0.2916 | ||||
| 450 | 1750 | 1310 | 1580 | 440 | 600 | R1" | 0.3642 | ||||
| 500 | 1910 | 1440 | 1740 | 470 | 700 | R1" | 0.4587 | ||||



Get in touch with us Contact Us